Salta al contenuto
Cerca per:
Toggle Navigation
Home
Chi Siamo
Nuovo
Attrezzatura Nuova
Usato
Trattori Usati
Attrezzatura Usata
Shop
News
Contatti
6710006KR Riduzione PTO maschio 1 3/8″ Z6 femmina 1 3/4″ Z6
6710006KR Riduzione PTO maschio 1 3/8″ Z6 femmina 1 3/4″ Z6
46,90
€
6710006KR Riduzione PTO maschio 1 3/8" Z6 femmina 1 3/4" Z6 quantità
Aggiungi al carrello
Categories:
Ricambi
Costi di spedizione calcolati al checkout in base al peso
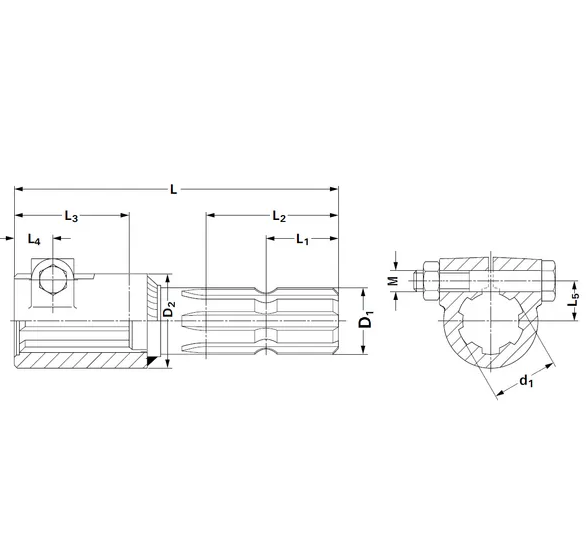
6710006KR Riduzione PTO maschio 1 3/8″ Z6 femmina 1 3/4″ Z6 con bullone di bloccaggio
Qualita
Max. 5 % di ruggine bianca dopo 72 ore di test di corrosione in nebbia salina secondo ASTM B117-97
Utilizzo lato trattore non consentito secondo la norma di sicurezza EN12965
Informazioni tecniche
Esterno maschio = M
Interno femmina = F
Potenza massima
30 kW
D1
Diametro esterno giunto n. 1
1-3/8 Inch
Numero di scanalature attacco n. 1
6
d1
Connessione 2, diametro interno
1-3/4 Inch
Numero di scanalature attacco n. 2
6
L
Lunghezza totale
175 mm
Materiale
Acciaio S355
Nota
Utilizzabile unicamente sul lato macchina, non adatto come presa di forza del trattore. kW
Informazioni aggiuntive
Peso
1 kg
Page load link
Torna in cima